Разработка и производство сервоприводов,
бесколлекторных и вентильных двигателей, движитель (трастер) для телеуправляемого необитаемого подводного аппарата (ТНПА, ROV)

Адрес: Москва, ул.Большая Переяславская, д.9+7(985)928-61-99
Литье пластика на заказ
ДОКУМЕНТАЦИЯ

ГЛАВА 4.ИСПОЛНИТЕЛЬНЫЕ МЕХАНИЗМЫ НА БАЗЕ ЭЛЕКТРОПРИВОДА С ШАГОВЫМИ ДВИГАТЕЛЯМИ

§4.2.Особенности конструкции и принципа работы линейного шагового двигателя

Линейные шаговые двигатели (ЛШД) преобразуют импульсную команду непосредственно в линейное перемещение. Это позволяет значительно упрощать кинематическую схему ряда электроприводов, устраняя механические преобразователи вращательного движения в поступательное.

Однокоординатный ЛШД можно представить как развернутый на плоскости ШД вращательного типа.

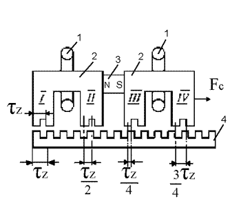
Рис.4.4

На рис.4.4 показана схема магнитной системы двухфазного однокоординатного ЛШД индукторного типа. Ротор ЛШД (подвижная часть), называемый иногда позиционером, выполнен в виде двух П-образных магнитопроводов 2 из электротехнической стали, которые подмагничиваются постоянным магнитом 3. На каждом из магнитопроводов ротора расположено по обмотке управления 1. Статор 4 представляет собой плиту из магнитомягкого материала; поверхность плиты, обращенная к ротору, зубчатая.

Поверхность полюсов ротора I—IV также зубчатая. Зубцовые деления τz ротора и статора равны. Зубцы двух полюсов в пределах одного магнитопровода ротора сдвинуты по отношению к зубцам статора на ½ зубцового деления, одного магнитопровода по отношению к другому — на ¼ зубцового деления. В результате зубцы всех полюсов ротора по-разному ориентированы относительно зубцов статора, но магнитное сопротивление потоку подмагничивания не зависит от перемещения якоря.

Принцип работы такого ЛШД не отличается от принципа работы индукторного ШД вращательного типа. В зависимости от наличия и знака импульса в обмотках управления максимум магнитного поля перемещается от полюса к полюсу ротора, например, по схеме I—III—II—IV. Синхронизирующая сила Fc перемещает ротор в такое положение, чтобы против зубцов данного полюса ротора находились зубцы статора, т.е. на ¼ зубцового деления.

В общем случае линейный механический шаг

. (4.5)

В многокоординатном ЛШД осуществлено механическое объединение электромагнитных систем, обеспечивающих перемещение по нескольким координатам. При этом рассмотренные выше однокоординатные ЛШД являются электромагнитными модулями, обеспечивающими перемещение по каждой из координат.

В линейных ЛШД применяют магнитно-воздушную подвеску. Ротор притягивается к статору силами магнитного притяжения полюсов ротора. Через специальные форсунки под ротор нагнетается сжатый воздух, между ротором и статором возникает воздушная подушка, и ротор подвешивается над статором с минимальным воздушным зазором. При этом обеспечивается близкое к нулю сопротивление движению ротора и высокая точность позиционирования.

На базе ШД и ЛШД могут быть созданы многокоординатные исполнительные механизмы, осуществляющие сложные перемещения в декартовой, цилиндрической и сферической системах координат.

Назад | Оглавление | Вперед
+7(985)928-61-99 Москва, ул.Большая Переяславская, д.9