назад | ОГЛАВЛЕНИЕ | вперед
7.2. Динамика электропривода с синхронным двигателем
Так как динамические свойства синхронной машины в значительной степени
отличаются от характеристики обобщенной электромеханической системы, то
необходимо отдельно рассмотреть динамику электропривода с синхронным
двигателем.
Основными возмущениями при питании от сети следует считать возможные
изменения нагрузки электропривода. При ударном характере нагрузки, в процессах
приложения и снятия нагрузки и в процессах втягивания в синхронизм,
динамические свойства синхронного электропривода проявляются достаточно полно,
и на их рассмотрение следует обратить особое внимание.
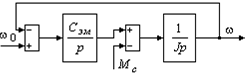
Влияние упругой связи между полями статора и ротора можно
проанализировать, воспользовавшись структурной схемой. При отсутствии у
синхронного двигателя демпферной обмотки эта схема будет иметь вид (рис. 7.6):

Рис. 7.6. Структурная схема синхронной машины при отсутствии демпферной обмотки.
Два интегрирующих звена, охваченных отрицательной обратной связью, как
известно из теории автоматического управления, образуют недемпфированную
колебательную систему с передаточной функцией
(7.14)
(Из структурной схемы рис. 7.6 имеем:

или

или

или

или

и частотой свободных колебаний
(7.15)
Демпферная асинхронная обмотка обеспечивает затухание колебаний в
системе. Из структурной схемы синхронной машины с демпферной обмоткой (рис.
7.2) находим передаточную функцию по управляющему воздействию:

или

или

или

(7.16)
Передаточная функция по возмущению определяется аналогично:

или



(7.17)
Анализ решений дифференциальных уравнений системы относительно скорости
и момента синхронного двигателя показал, что при изменении нагрузки скачком,
скорость синхронного электропривода совершает затухающие колебания относительно
скорости поля, а его момент колеблется относительно момента Мс, постепенно затухая. Коэффициент затухания возрастает
при увеличении жесткости механической характеристики β,
т.е. при уменьшении Тм
Наличие демпферной обмотки позволяет осуществлять пуск синхронного
двигателя путем прямого включения его на напряжение сети. Параметры этой
обмотки рассчитываются так, чтобы обеспечивались удовлетворительные условия
пуска при заданном максимальном значении нагрузки Мс.max, а значения входного скольжения (скольжения, при
котором происходит втягивание в синхронизм) лежали в допустимых пределах .
назад | ОГЛАВЛЕНИЕ | вперед
|