назад | ОГЛАВЛЕНИЕ | вперед
7. Обобщенная электромеханическая система с линеаризованной
механической характеристикой
Из теории автоматического управления известно, что динамические
свойства замкнутых систем определяются свойствами разомкнутой системы, ее
передаточными функциями и частотными характеристиками. Поэтому прежде чем
перейти к изучению свойств замкнутых систем «управляемый
преобразователь-двигатель», рассмотрим динамику разомкнутых электромеханических
систем.
При
определенных условиях механические характеристики принципиально разнотипных
двигателей описываются идентичными уравнениями. В этих границах аналогичны и
основные электромеханические свойства двигателей, что создаёт предпосылки для
обобщённого изучения динамики электромеханических систем.
Возможность такого обобщения вытекает из сравнения уравнений
динамической жесткости, для двигателя постоянного тока с независимым
возбуждением и асинхронного двигателя при линеаризации рабочего участка
характеристики при питании от источника напряжения и тока:
- ДПТ;
- АД при питании от генератора напряжения;
- АД при питании от генератора тока.
Из сравнения
этих выражений видно, что они отличаются только выражениями статической
жесткости ( ) и электромагнитной постоянной времени
Тэ(Тя).
Следовательно, распространив обозначение Тэ на двигатели постоянного тока
(Тя=Тэ), получим следующую форму записи уравнений
динамики линеаризованных электромеханических систем:

Эти уравнения
являются обобщенными уравнениями динамики электромеханической системы с
двигателем, имеющим линейную или линеаризованную механическую характеристику,
динамическая жесткость которой описывается передаточной функцией апериодического
звена с коэффициентом β и постоянной времени Тэ:
.
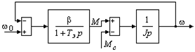
Системе
уравнений соответствует структурная схема обобщенной электромеханической
системы (рис. 7.1).
Особенности
применяемого двигателя при этом отражаются в конкретном смысле переменных и
выражениях параметров. Для двигателя с независимым возбуждением:

Рис. 7.1. Структурная схема электропривода с линейной механической характеристикой и с жесткими механическими связями.
; ;
(7.1)
Для
асинхронного двигателя при линеаризации рабочего участка его механической
характеристики в области s<sк:
; ;
(7.2)
Обобщенная электромеханическая
система с механической характеристикой, описываемой линейным дифференциальным
уравнением первого порядка, является основным объектом изучения теории
электропривода. Она правильно отражает основные закономерности, свойственные
реальным нелинейным электромеханическим системам в режимах допустимых
отклонений от статического состояния, и, благодаря простоте, обеспечивает
возможность обобщенного анализа этих закономерностей методами теории
автоматического управления.
Динамические
процессы синхронного электропривода описываются следующей системой уравнений:
(7.3)
Структурная
схема электромеханической системы с синхронным двигателем имеет вид (рис. 7.2)

Рис.
7.2. Структурная схема линеаризованного синхронного электропривода.
назад | ОГЛАВЛЕНИЕ | вперед
|