назад | ОГЛАВЛЕНИЕ | вперед
2.1. Кинематическая схема электропривода
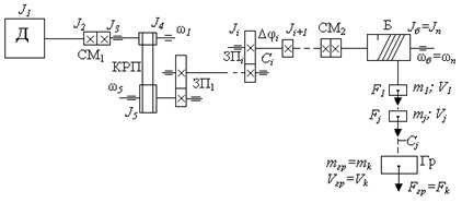
Непосредственное представление о механических связях даёт кинематическая
схема электропривода (рис. 2.2):

Рис. 2.2.
Кинематическая схема электропривода
Здесь двигатель Д через соединительную муфту СМ1,
клиноременную передачу (КРП), ряд зубчатых передач ЗПi и
соединительную муфту СМ2 приводит во вращение барабан (Б),
преобразующий вращательное движение в поступательное движение ряда связанных
масс. При нагружении элементы
системы (валы, опоры, клиноременные передачи, зубчатые зацепления и т.п.)
деформируются, т. к. механические связи не являются абсолютно жёсткими.
При изменении нагрузки массы имеют возможность взаимного перемещения, которое
определяется жёсткостью связи.
Каждый вращательно движущийся элемент обладает моментом инерции Ji и связан с (i+1) - элементом механической
связью, обладающей жёсткостью Ci. Соответственно каждый поступательно
движущийся элемент имеет массу mj
и связан со следующим связью с жёсткостью Сj. В пределах механических связей, для которых выполняется закон
Гука, жёсткости можно определить с помощью соотношений
(2.1)
где
- нагрузка упругой механической связи;
- деформация упругого элемента при вращательном и
поступательном движении.
В связи с наличием передач различные элементы
системы движутся с различными скоростями. Поэтому для составления расчетных
схем необходимо приведение всех параметров элементов кинематической цепи к
одной расчётной скорости, обычно к скорости вала двигателя.
Условием соответствия расчётной схемы реальной механической системе
является выполнение закона сохранения энергии. При приведении необходимо
обеспечить сохранение кинетической и потенциальной энергий системы, а также
элементарной работы всех действующих в системе сил и моментов на возможных
перемещениях. Следовательно,
(2.2)
Отсюда получаем формулы
приведения:
(2.3)
где
- передаточное число от вала приведения до i-го вала;
- радиус приведения к валу со скоростью ω 1 .
При приведении вращательных φi и поступательных Sj перемещений необходимо учитывать, что
передаточное число и радиус приведения определяются соотношением скоростей.
Тогда перемещения связаны зависимостями:

При линейных кинематических связях . В этом случае формулы приведения перемещений имеют вид:

При приведении жёсткостей механических связей должно выполняться
условие равенства запаса потенциальной энергии деформации.
Потенциальная энергия Wn равна работе, совершаемой моментом М на участке изменения угла Δφ. Так как величина момента скручивания
изменяется от 0 до Mmax, то, с учетом (2.1), работа равна:

Тогда

Формулы приведения:
(2.4)
Приведение моментов и сил нагрузки элементов кинематической цепи должно
осуществляться при условии равенства элементарной работы на возможных
перемещениях:

Следовательно,
(2.5)
Для большей наглядности сопоставления по результатам приведения можно
построить исходную приведённую расчётную схему, представив в ней массы в виде
прямоугольников, площадь которых пропорциональна приведенным моментам инерции,
а жёсткости связей между ними в виде соединений, длина которых обратно пропорциональна
жёсткости.
Для рассматриваемой кинематической схемы приведённая расчётная схема
имеет вид (рис. 2. 3):

Рис. 2.3. Приведённая расчётная схема кинематической цепи.
В ней выделены три наиболее значительные массы – ротор двигателя с
моментом инерции , барабан с приведённым моментом инерции и груз . Вследствие относительно малых величин остальных моментов её
можно существенно упростить. Для этого следует малые массы добавить к близлежащим большим, а затем определить эквивалентные
жёсткости связей между полученными массами по общей формуле:
(2.6)
К ротору двигателя с моментом инерции приложен
электромагнитный момент М и момент
потерь ΔМ,
причём для правильного учёта знаков действующих моментов указано положительное
для всей приведённой схемы направление скорости ω 1 .
Исследования динамики электропривода показывают, что неразветвлённые
расчётные механические схемы в большинстве случаев сводятся к трёхмассовой (рис. 2.4а), двухмассовой
(рис. 2.4б) расчётным схемам и к жёсткому приведённому механическому звену
(рис. 2.4в):

а) б) в)
Рис.
2.4. Расчётные схемы электропривода: трёхмассовая
(б) и жёсткое приведённое механическое звено (в).
Трёхмассовая упругая система используется в тех случаях, когда
необходимо более детально анализировать движения масс механизма. При этом
обычно используется моделирование на аналоговой (ABM) или цифровой (ЦВМ) вычислительных машинах. Для
исследования отдельных физических особенностей используется двухмассовая
система.
В тех случаях, когда параметры системы таковы, что
влияние упругих связей незначительно, или когда этим влиянием можно пренебречь,
используется жёсткое приведённое звено. Суммарный приведённый момент инерции
может быть выражен:
(2.7)
где
n и k – число масс установки, совершающих соответственно
вращательное и поступательное движение.
Суммарный приведённый к валу двигателя момент
статической нагрузки MC
(2.8)
где
q и p – число внешних моментов Mi и сил , приложенных к системе, кроме электромагнитного момента
двигателя.
Характерным примером разветвлённых кинематических схем
является кинематическая схема многодвигательного электропривода, в котором
двигатели через индивидуальные редукторы действуют на общий рабочий механизм.
назад | ОГЛАВЛЕНИЕ | вперед
|