Разработка и производство сервоприводов,
бесколлекторных и вентильных двигателей, движитель (трастер) для телеуправляемого необитаемого подводного аппарата (ТНПА, ROV)

Адрес: Москва, ул.Большая Переяславская, д.9+7(985)928-61-99
Литье пластика на заказ
ДОКУМЕНТАЦИЯ
назад | оглавление | вперед

2.3.1 Основные типы преобразователей

Большая часть приводов переменного тока питается от промышленной трехфазной сети, поэтому силовая часть систем частотного управления обычно называется преобразователем частоты, т.к. она формирует в обмотках статора АД напряжения и токи с частотой отличной от частоты источника питания.


Преобразователи частоты (ПЧ) по числу ступеней преобразования энергии делятся на ПЧ с непосредственной связью (НПЧ) и с промежуточным звеном постоянного тока (рис. 1).

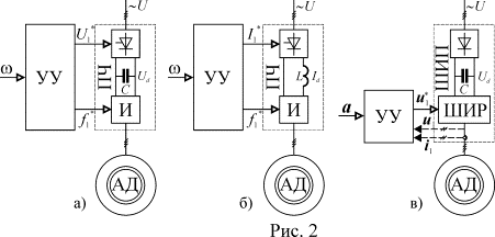
В настоящее время более распространены ПЧ со звеном постоянного тока. На входе энергетического канала этих ПЧ установлен управляемый (рис. 2 а и б) или неуправляемый (рис 2.в) выпрямитель. После преобразования выпрямителем энергии переменного тока с постоянными значениями напряжения и частоты в энергию постоянного тока, она поступает на вход инвертора (И) и снова преобразуется в энергию трехфазного переменного тока, но уже с регулируемыми параметрами. Таким образом, в ПЧ этого типа происходит двойное преобразование энергии, что несколько снижает его КПД, но другие существенные преимущества этих преобразователей обеспечивают им доминирующее положение в современном автоматизированном приводе.

Для энергетической развязки выпрямителя и инвертора между ними обязательно устанавливают накопитель энергии. В зависимости от вида этого накопителя – конденсатор или дроссель (рис. 2) – инвертор работает либо в режиме источника напряжения (ИН), либо источника тока (ИТ). Накопитель энергии необходим потому, что энергия постоянного тока чисто активная, а для формирования магнитных полей в двигателе нужен обмен реактивной энергией с источником питания, которую и обеспечивает накопитель. При переходе АД в генераторный режим изменяется знак активной составляющей тока статора, т.е. ее направление по отношению к напряжению. Этот ток и напряжение примерно соответствуют величинам на входе И, поэтому при изменении режима АД должно изменяться взаимное направление тока и напряжения в звене постоянного тока. Но в ПЧИН изменить направление может только напряжение, а в ПЧИТ – ток. Изменение направления напряжения в ПЧИТ при сохранении направления тока приведет к тому, что УВ перейдет в режим инвертирования и избыточная энергия будет возвращена в сеть. В ПЧИН переход АД в генераторный режим приведет к изменению направления тока в инверторе. В этом случае избыточная энергия не может быть возвращена в сеть через выпрямитель, т.к. его ключи обладают односторонней проводимостью. Она может либо рекуперироваться ведомым сетью инвертором, включенным встречно-параллельно с УВ, либо быть рассеянной на тормозном резисторе, включаемом с этой целью на входе инвертора. Таким образом, ПЧИТ обеспечивает двухстороннее направление обмена энергией между АД и сетью без применения дополнительных устройств и, следовательно, работу двигателя в двух квадрантах механической характеристики, в то время как ПЧИН только в одном квадранте (двигательном). Тем не менее, более распространенными на практике являются ПЧИН. Это связано с тем, что большая часть задач привода не требует работы АД в генераторном режиме, а кратковременные выходы в эту область связаны с умеренным количеством производимой энергии, которая может рассеиваться тормозным резистором. Кроме того, дроссель обладает существенно худшими массогабаритными показателями.

Сдвиг фаз между выходными напряжениями И обеспечивается алгоритмом работы ключей, а частота регулируется тактовой частотой коммутации , задаваемой устройством управления (УУ). Управление амплитудой напряжения или тока (сигналы  на рис. 2) осуществляется с помощью УВ. Как правило, каналы управления частотой и амплитудой в УУ соединены между собой через функциональный преобразователь, обеспечивающий требуемый закон управления.

Из рассмотренных особенностей ПЧ с инверторами, работающими с шестью коммутациями за период, можно сделать вывод, что ПЧИН следует применять для многодвигательных и одиночных приводов мощностью до 200 кВт, работающих в одном квадранте с диапазоном регулирования до 1:20. При этом в УУ обычно используется функциональный преобразователь с законом управления . Для одиночных приводов мощностью до 400 кВт, работающих в двух квадрантах примерно с тем же диапазоном регулирования, применяют ПЧИТ.

 

Другой класс преобразователей со звеном постоянного тока составляют устройства, в которых функции регулирования обоих выходных параметров (амплитуды и частоты) возложены на инвертор, а в выпрямителе используются неуправляемые диоды. Такой тип ПЧ относят к широтно-импульсным преобразователям (ШИП рис. 2 в), а инвертор, работающий в режиме широтно-импульсной модуляции – к широтно-импульсным регуляторам (ШИР). В настоящее время, благодаря развитию силовой электроники и, прежде всего, появлению силовых транзисторов с изолированным затвором (IGBT insulated gate bipolar transistor), этот тип ПЧ стал наиболее распространенным. Поэтому мы остановимся на его устройстве более подробно в следующем разделе.

 

Отдельный класс преобразователей составляют НПЧ. В них выходное напряжение формируется из участков синусоид напряжения сети питания, при этом двигатель в процессе работы преобразователя через открытые ключи в каждый момент времени оказывается подсоединенным непосредственно к источнику питания. Это позволяет без использования дополнительных устройств обеспечить двухсторонний обмен энергией между АД и питающей сетью, что, в свою очередь, создает возможность работы двигателя в двух квадрантах механической характеристики.

НПЧ в принципе могут строиться на основе частично или полностью управляемых ключей. В первом случае в качестве ключей используют тиристоры (симисторы) с естественной коммутацией (ЕК); во втором – либо полностью управляемые тиристоры или тиристоры с искусственной коммутацией, либо транзисторы (рис. 1). Применение искусственной коммутации позволяет регулировать выходную частоту в области ниже и выше частоты сети. Однако коммутационные устройства тиристорных ключей существенно ухудшают массогабаритные показатели. Применение транзисторных ключей исключает этот недостаток, но сам принцип работы НПЧ требует использования по крайней мере тройного количества ключевых элементов по сравнению с ПЧ с инверторами. Кроме того, для некоторых задач в НПЧ используют входные или выходные трансформаторы, что еще более снижает их конкурентоспособность. Поэтому в этом типе преобразователей чаще всего используют естественную коммутацию и применяют их в приводах, где отчетливо проявляются достоинства тиристорных ключей – в приводах большой мощности.

С помощью трехфазно-трехфазных НПЧ ЕК можно формировать фазные токи АД с коэффициентом искажения порядка 0,99-0,9999, т.е. токи, содержащие практически только основную гармонику. Однако с повышением частоты основной гармоники искажения увеличиваются и при питании от сети 50 Гц предельной выходной частотой с удовлетворительным спектром тока считается 20 Гц. Повышение этой частоты в 1,5-2 раза возможно с помощью входных трансформаторов и дополнительных ключей, но такое решение существенно ухудшает массогабаритные показатели. В любом случае использование НПЧ для токового управления АД позволяет осуществить глубокое регулирование частоты вращения вплоть до работы на упор с номинальной перегрузочной способностью, а также обеспечить запуск двигателя в тяжелых условиях. Наличие относительно большого количества ключей является недостатком НПЧ, но надежность и мощность тиристорных коммутаторов определили область, в которой почти исключительно применяются НПЧ ЕК. Это приводы большой мощности с тяжелыми условиями пуска такие, как тяговый привод на транспорте, гребные валы судов, цементные мельницы и т.п.

назад | оглавление | вперед
+7(985)928-61-99 Москва, ул.Большая Переяславская, д.9