|
Содержание Предыдущий § Следующий
6.4. Параллельная работа генераторов постоянного тока
Генератор с параллельным млн независимым возбуждением.
Рассмотрим параллельную работу генератора, имеющего параллельное или независимое возбуждение, с сетью бесконечно большой мощности, т. е. при условии, что напряжение сети £/ = const.
Для подключения генератора (рис. 6.14, а) на параллельную работу с сетью необходимо привести якорь генератора во вращение с номинальной частотой, проверить соответствие полярности щеток генератора и проводов сети и установить такой ток возбуждения, при котором напряжение генератора иг0=Е0 равно напряжению сети U. При обеспечении этих условий включение генератора не сопровождается броском тока, так как /„= (Uro— —U)/2R. Условие Ur0= = U проверяют с помощью нулевого вольтметра V.
Нагрузка генератора, подключенного к сети,
регулируется изменением его ЭДС. Это можно сделать путем увеличения частоты вращения якоря или тока возбуждения. Удобнее, однако, воздействовать на ток возбуждения. Ток нагрузки /н«/а при заданном токе возбуждения можно определить графически по внешним характеристикам генератора 1 н 2, построенным при различных токах возбуждения (рис. 6.14, б). Например, при некотором токе возбуждения 1В\ (кривая /) равенство напряжений генератора Ur и сети U имеет место в точке А при токе нагрузки Ли = 0. При токе возбуждения 1в2 внешняя характеристика генератора (кривая 2) пересекается с линией U=const в точке В, соответствующей некоторому установившемуся значению /Н2 тока нагрузки. Работа генератора в этой точке устойчива: при случайном
Рис. 6.14. Схема подключения генератора с параллельным возбуждением к сети (а) и определение его тока нагрузки по внешним характеристикам (б)
изменении тока нагрузки, а следовательно, и тока якоря на Д/„^ ~Л/а возникает переходный процесс, для которого можно написать уравнение
Рис. 6.15. Определение тока нагрузки при подключении к сети генераторов с последовательным и смешанным возбуждением
где ы= 17 —мгновенное значение напряжения, сети; iu и е — мгновенные значения тока нагрузки и ЭДС генератора при переходном процессе; La — индуктивность цепи обмотки якоря; иг — мгновенное значение напряжения генератора. Из (6.10) следует, что
diH/dt = (ur-u)/La. (6.11)
При случайном превышении тока нагрузки /Н2 напряжение генератора «г становится меньше напряжения сети и, следовательно,
производная dijdt отрицательна, т. е. ток нагрузки уменьшается, стремясь к установившемуся значению /н2- При случайном уменьшении тока ниже /Н2 напряжение Ur>U, производная diH/dt>0 и ток нагрузки начнет возрастать до установившегося значения /Н2-
Генератор с последовательным возбуждением. Устойчиво работать параллельно с сетью он не может, так как его напряжение Ur увеличивается при возрастании тока нагрузки /„ (рис. 6.15, а). Поэтому при случайном отклонении тока якоря от некоторого установившегося значения /н, при котором Ur=U (точка А), машина сбрасывает нагрузку или переходит в режим работы, соответствующий очень большому току.
Генератор со смешанным возбуждением (рис. 6.15, б) имеет две точки пересечения с прямой £/=const. Точка А соответствует неустойчивому режиму работы, а точка В — устойчивому. Однако и генератор со смешанным возбуждением для параллельной работы с сетью применяют редко, так как для него характерны броски тока при переходе из неустойчивого режима в устойчивый.
Иногда необходима параллельная работа двух одинаковых (или соизмеримой мощности) генераторов на общую нагрузку.
Для генераторов параллельного возбуждения этот случай не представляет каких-либо затруднений и регулирование нагрузки сходно с описанным выше.
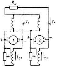
Генераторы последовательного возбуждения могут работать на общую нагрузку только при соблюдении определенных условий. Если два генератора включены по схеме рис. 6.16, а, то они работают неустойчиво: малейшее увеличение тока одного генератора,

например /„i, и уменьшение тока другого, например 1а2, приводит к тому, что ЭДС первого генератора возрастает, а второго уменьшается; вследствие этого ток одного генератора будет все более возрастать, а второго — уменьшаться, пока один генератор не возьмет всю нагрузку на себя, а другой генератор не перейдет в двигательный режим.
Для обеспечения устойчивой работы обмотки возбуждения генераторов соединяются уравнительным проводом (штриховая линия на рис 6 16, а), в связи с чем токи в обмотках возбуждения обоих генераторов становятся равными /Bi = /B2=0,5(/ai + + /a2), а следовательно, равны и ЭДС генераторов независимо от случайных отклонений токов якорей.
  Рис 6 16 Включение двух генераторов последовательного возбуждения на общую нагрузку
а — обычная схема, б — перекрестное включение обмоток возбуждения
Рнс 6 17. Включение двух генераторов сме шанного возбуждения на общую нагрузку
Недостаток схемы с уравнительным проводом заключается в том, что при значительном расстоянии между генераторами сопротивление уравнительного провода становится соизмеримым с сопротивлением обмотки возбуждения, что влияет на распределение нагрузки генераторов.
От этого недостатка свободна схема с перекрестным включением обмоток возбуждения (рис. 6.16, б). В этой схеме /Bi = /a2 и Ля=Ли- Если по каким-либо причинам ток якоря одного генератора увеличится, а другого — уменьшится, то у них произойдет противоположное изменение токов возбуждения и ЭДС. Вследствие этого произойдет выравнивание токов якорей
Два генератора смешанного возбуждения, включенные на общую нагрузку, также требуют уравнительного провода между последовательными обмотками возбуждения (рис. 6 17).
Содержание Предыдущий § Следующий
|