|
Содержание Предыдущий § Следующий
24.12. Асинхронные взрывозащищенные двигатели «Украина»
Двигатели с фазным ротором «Украина» предназначены для стационарных установок в угольной промышленности, в том числе в шахтах, опасных по газу (метану) или угольной пыли, в продолжительном режиме работы S1 по ГОСТ 183-74.
Конструктивное исполнение — IM1001 по ГОСТ 2479-79.
Двигатели соответствуют ТУ 16-510.458 — 76. Исполнение двигателей по взрывозащи-те - РВ4В в соответствии с ПИВРЭ.
Двигатели предназначены для работы от сети переменного тока напряжением 6000 В, частотой 50 Гц и допускают прямой пуск от сети с номинальным напряжением, а также при понижении напряжения до 0,85 [7Н0М, номинальная частота вращения — 985 об/мин.
Двигатели работают с постоянно налегающими щетками, допускают правое и левое вращение, а также изменение направления вращения под нагрузкой. Пуск и изменение направления вращения двигателей производится с введенным в ротор добавочным сопротивлением, ограничивающим ток статора до значения не более двойного номинального тока. По требованию заказчика двигатели могут изготовляться на номинальное напряжение 3000 В.
Таблица 24.54. Технические данные двигателей «Украина»
|
Тип двигателя
|
*2 ном» кВт
|
Ток статора, А
|
КПД,
°/о
|
СОвф
|
мтах
|
Напряжение ротора, В
|
Ток
ротора, А
|
Момент инерции ротора, кгм2
|
|
^"ном
|
|
«Украина» 5608-6ФУ5 «Украина» 560М-6ФУ5 «Украина» 5601.-6ФУ5
|
315 400 500
|
39 48 60
|
92,5 93 93,5
|
0,85 0,86 0,86
|
2,5 2,5 2,5
|
520 620 760
|
370 390 400
|
40,5 46
54,3
|
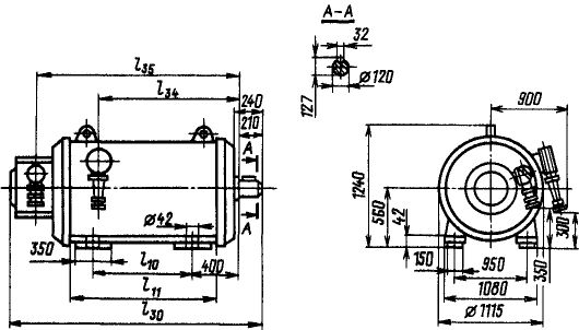
Таблица 24.55. Габаритные, установочно-присоединительные размеры, мм, и масса
двигателей «Украина»

|
Тип двигателя
|
'ю
|
'и
|
'зо
|
'34
|
'35
|
Масса, кг
|
|
«Украина» 5608-6ФУ5 «Украина» 560М-6ФУ5 «Украина» 560Ь-6ФУ5
|
800 900 1000
|
ИЗО 1205 1325
|
23-30 2405
2525
|
1205 1280 1400
|
1455 1530 1650
|
3880 4180 4620
|
Изоляция обмоток двигателей — влагостойкая, относящаяся по нагревостойкости для статора к классу В, для ротора — к классу F. Основные технические данные электродвигателей приведены в табл. 24.54, габаритные и установочные размеры двигателей — в табл. 24.55.
Корпус статора представляет собой сварную жесткую конструкцию, изготовленную из листовой стали. Жесткость конструкции обеспечивается рациональным расположением ребер между внутренним и наружным цилиндрами, а также наличием распределенного теплообменника.
Обмотка ротора — двухслойная стержневая. Лобовые части обмотки укреплены бан-дажем из стеклоленты, пазовые части — клиньями. Двигатели выполнены на подшипниках качения.
Подшипниковые крышки имеют отверстия для устадовки датчиков контроля температуры подшипников.
Внутри корпуса коробки в^ыводов статора установлены три силовых зажима на изоляторах. Коробка выводов позволяет вводить бронированные кабели с медными жилами с сухой разделкой или заливкой компаундом. Конструкция коробки выводов ротора аналогична конструкции коробки выводов статора, контактные кольца электродвигателей расположены во взрывобезопас-ном корпусе. Крышка корпуса имеет блокировку, обеспечивающую безопасность при разработке двигателя.
Охлаждение электродвигателей — воздушное, с радиально-согласной циркуляцией внутреннего воздуха. Внешняя система охлаждения состоит из распределенного по периметру статора трубчатого теплообменника, по трубам которого продувается воздух от наружного вентилятора.
Двигатели имеют следующие показатели надежности: наработка на отказ — не менее 33 000 ч; средний ресурс до первого капитального ремонта — не менее 57 000; обмотка статора в условиях эксплуатации ремонту не подлежит; срок службы до списания -не менее 20 лет.
Допустимый уровень шума двигателей соответствует ГОСТ 16372-84 класса 1.
Содержание Предыдущий § Следующий
|