<< Предыдущая |
Содержание
Заключение
В данных рекомендациях по применению представлено аппаратное и программное решение устройства управления
бесколлекторным электродвигателем постоянного тока с использованием датчиков. Помимо данного документа, доступен
для скачивания полный исходный код.
В состав программной библиотеки входит функции запуска и управления скоростью любого БКЭПТ со встроенными
датчиками.
Принципиальная схема содержит минимум внешних компонентов, необходимых для управления БКЭПТ со встроенными
датчиками.
Возможности ЦПУ и памяти микроконтроллера AT90PWM3 позволят разработчику расширить функциональные данного решения.

Рисунок 21. Принципиальная электрическая схема (часть 1)

Рисунок 22. Принципиальная электрическая схема (часть 2)

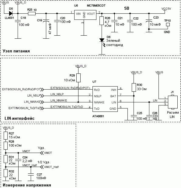
Рисунок 23. Принципиальная электрическая схема (часть 3)

Рисунок 24. Принципиальная электрическая схема (часть 4)
<< Предыдущая |
Содержание
|