|
назад | оглавление | вперед
5. Информационные машины
К числу информационных машин относятся: поворотные трансформаторы, сельсины, магнесины и асинхронные тахогенераторы.
5.1. Поворотный трансформатор
Поворотными трансформаторами называют электрические машины переменного тока, преобразующие угол поворота α в напряжение, пропорциональное некоторым функциям этого угла или самому углу. В зависимости от закона изменения выходного напряжения они подразделяются на следующие типы:
а) синусно - косинусный трансформатор, позволяющий получить на выходе два напряжения, одно из которых пропорционально sinα, а второе cosα;
б) линейный поворотный трансформатор, выходное напряжение которого пропорционально углу α;
в) трансформатор - графопостроитель, выходное напряжение которого связано с подаваемыми первичными напряжениями зависимостью:
|
,
|
(5.1.1) |
где
С - постоянная.
Для получения поворотных трансформаторов различных типов может быть использована одна и та же машина с двумя обмотками на статоре и двумя на роторе при различных способах включения обмоток.
Поворотные трансформаторы широко используются в автоматических и вычислительных устройствах для решения геометрических и тригонометрических задач. В системах автоматического регулирования они используются в качестве измерителей рассогласования.
Конструктивно поворотный трансформатор выполняется так же, как асинхронный двигатель с фазным ротором. На статоре и роторе расположены по две одинаковые однофазные распределенные обмотки, сдвинутые между собой в пространстве на 90 градусов. Магнитопровод - шихтованный.
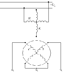
Поворотный трансформатор может работать в режиме поворота ротора или в режиме вращения. В первом случае положение ротора относительно статора задается поворотным механизмом (рис. 5.1).

Рис. 5.1. Принципиальная схема четырехобмоточного поворотного трансформатора
В этом режиме одна из статорных обмоток - обмотка возбуждения В - присоединяется к сети переменного тока, а другая - компенсационная или квадратурная обмотка К - подключается к некоторому сопротивлению или замыкается накоротко. В некоторых случаях обе статорные обмотки получают питание от независимых источников переменного напряжения. Обмотка ротора S (синусная) и С (косинусная) присоединяются к контактным кольцам. Для уменьшения числа колец концы двух обмоток объединяются. Применяется так же токосъем с помощью спиральных пружин; в этом случае угол поворота ротора ограничен 1,8...2 оборотами.
При работе в режиме вращения обмотки возбуждения и компенсации с целью уменьшения числа контактных колец размещают на роторе, а синусную и косинусную - на статоре. При этом компенсационная обмотка замыкается накоротко, а выводы обмотки возбуждения подключаются к двум контактным кольцам.
Принцип действия. При подключении обмотки возбуждения В к сети переменного тока в машине возникает продольный магнитный поток Фd, пульсирующий во времени с частотой сети. При холостом ходе в обмотках ротора S и С этот поток будет наводить ЭДС Еs0 и Ec0, частота которых равна частоте сети f1, а действующее значение будет зависеть от положения ротора относительно статора (рис. 5.2а).
а)
б)
Рис. 5.2. Схематический разрез поворотного трансформатора (а) и график распределения индукции вдоль окружности его статора и ротора (б)
Предположим, что магнитный поток Фd распределен в воздушном зазоре синусоидально; в этом случае индукция в воздушном зазоре изменяется вдоль окружности статора и ротора по закону (рис. 5.2б):
|
,
|
(5.1.2) |
где
Вср - индукция в воздушном зазоре по оси обмотки В.
В обмотке статора В поток Фd индуктирует ЭДС:
|
,
|
(5.1.3) |
где
Фdm - максимальное значение потока:
|

|
(5.1.4) |
Здесь
l1 - продольная длина статора (ротора);
- число витков обмотки статора.
Предположим, что ось фазы С обмотки ротора сдвинута относительно фазы В обмотки статора на некоторый угол . В этом случае максимальное значение потока, сцепленного с обмоткой С:
|
,
|
(5.1.5) |
а ЭДС, индуцированная в этой обмотке
|
,
|
(5.1.6) |
где
- число витков обмотки ротора.
Из соотношения
,
выходное напряжение косинусной обмотки при холостом ходе
|
.
|
(5.1.7) |
Обмотка ротора S сдвинута относительно обмотки С на угол π/2 , следовательно, выходное напряжение в этой обмотке
|
.
|
(5.1.8) |
Обмотка К с потоком Фd не связана и он не индуктирует в ней ЭДС. Она используется для компенсации поперечных потоков, создаваемых обмотками ротора при нагрузке поворотного трансформатора. Если вместо обмотки В присоединить к сети переменного тока обмотку К, то она создаст поперченный поток, по отношению к которому обмотка S будет косинусной, а обмотка С - синусной. Таким образом, в обмотках ротора при холостом ходе индуктируются ЭДС, пропорциональные синусу и косинусу угла поворота ротора относительно соответствующего потока. Применяя различные схемы включения обмоток статора и ротора, можно получить и другие функциональные зависимости, а так же уменьшить погрешности, вызываемые током нагрузки.
назад | оглавление | вперед
|