|
назад | оглавление | вперед
3.1.2. Электромагнитный момент синхронной машины
Для получения выражения электромагнитного момента синхронной машины рассмотрим ее векторную диаграмму в несколько упрощенном виде (рис 3.5):

Рис. 3.5. К определению электромагнитного момента синхронной машины
Построение упрощенной векторной диаграммы начнем с вектора напряжения сети , направив его вниз по оси ординат. Это напряжение уравновешивается частью ЭДС, индуктируемой потоком ротора в обмотке статора (якоря). Эту часть ЭДС обозначим , она равна по величине и противоположна по направлению вектору напряжения сети . В действительности на зажимах машины существует только одно напряжение , но построение условного вектора делает диаграмму машины более наглядной. Если пренебречь небольшим активным падением напряжения , то можно записать:
Положение вектора потока ротора определится опережением его на 90 градусов вектора . Напряжение , т.е. равно сумме ЭДС, индуктируемых потоками рассеяния и реакции якоря. Следовательно, можно записать:
|
,
|
(3.1.6) |
т. е. напряжение равно сумме ЭДС, индуктируемых в обмотке якоря тремя потоками машины. Но физически эти потоки образуют один результирующий магнитный поток (собственно поток в воздушном зазоре между ротором и статором). Следовательно, можно рассматривать как ЭДС, индуктируемую результирующим магнитным потоком машины в ее обмотке якоря (статора). Это определяет положение вектора - он опережает вектор на 90 градусов.
Угол между векторами потока ротора и потока в воздушном зазоре равен углу сдвига фаз θ между и . Временному сдвигу фаз между векторами потоков соответствует пространственный сдвиг на θ/р между осями полюсов ротора и направлением результирующего поля машины.
Мощность синхронной трехфазной машины:
|
|
(3.1.7) |
Из прямоугольного треугольника, гипотенузой которого является вектор , а частью катета - , можно записать:
|
.
|
(3.1.8) |
На основании той же векторной диаграммы
|
.
|
(3.1.9) |
Это дает возможность представить электрическую мощность синхронной машины в
виде:
|
.
|
(3.1.10) |
Электромагнитный момент синхронной машины:
|

|
(3.1.11) |
Эта зависимость носит название угловой характеристики синхронной машины (рис. 3.6).

Рис. 3.6. Угловая характеристика синхронной машины
Если θ>0, то мощность и момент положительны, машина работает в режиме генератора и отдает электрическую мощность, а электромагнитный момент при этом является тормозящим моментом, который преодолевает первичный двигатель. Работа, совершаемая первичным двигателем, преобразуется в электрическую работу, отдаваемую генератором в сеть. При увеличении создаваемого первичным двигателем вращающего момента, ротор машины, вследствие сообщаемого ему ускорения, увеличивает угол θ и после нескольких колебаний около синхронной скорости восстанавливается равновесие вращающегося момента первичного двигателя и тормозящего электромагнитного момента генератора. Таким же образом восстанавливается это равновесие при уменьшении вращающего момента первичного двигателя посредством уменьшения угла θ и вызываемого этим снижения тормозящего электромагнитного момента.
Работа синхронного генератора устойчива при изменении угла θ в пределах от 0 до 90 градусов.
Кривая Мэ.м.=F(θ) за точкой θ=90 соответствует области неустойчивой работы синхронного генератора. В этих условиях вращающий момент первичного двигателя превышает максимальный тормозящий момент генератора, т. к. увеличение θ свыше 90 приводит к уменьшению тормозящего электромагнитного момента Мэ.м. Избыток вращающего момента создает дальнейшее ускорение ротора, что обуславливает дальнейшее возрастание θ и новое уменьшение тормозящего момента и т. д. пока генератор не выпадет из синхронизма. В таком случае нарушается автоматическая связь между частотой сети и скоростью вращения ротора; ЭДС машины и напряжение сети перестают уравновешивать друг друга, и токи в обмотках статора могут достигнуть весьма больших значений токов короткого замыкания, т. к. мгновенные значения ЭДС статора и напряжение сети могут теперь складываться, а не вычитаться, как при нормальной работе. При выпадении генератора из синхронизма его отключают от сети приборы автоматической защиты.
Уменьшение вращающего момента первичного двигателя вызывает соответствующее уменьшение угла θ, и когда θ станет равным нулю, тогда первичный двигатель будет лишь покрывать потери синхронной машины; в этих условиях при θ=0 машина не будет отдавать энергию в сеть как генератор и потреблять ее из сети как двигатель. Этот режим является промежуточным между режимами генератора и двигателя.
Если приложить к валу синхронной машины тормозящий момент, то он вызовет некоторое замедление вращения ротора, вследствие чего угол θ станет отрицательным. Это значит, что ротор отстанет на угол θ/р от результирующего поля машины, и последнее станет ведущим, а ротор - ведомым. Перемена знака θ вызовет изменение знака электрической мощности Р и электромагнитного момента Мэ.м.; машина переходит в режим двигателя; она потребляет энергию из сети, ее электромагнитный момент стал вращающим моментом, уравновешивающим механический тормозящий момент, приложенный к валу машины.
В этом случае для построения упрощенной векторной диаграммы синхронного двигателя удобно использовать векторы и (Рис. 3.1.7).

Рис. 3.1.7. Упрощенная векторная диаграмма синхронного двигателя
Будем считать, что возбуждение машины при переходе от генераторного режима к двигательному осталось неизменным, и поэтому сохраним в диаграмме двигателя, как и в диаграмме генератора, ту же длину вектора , но отложим теперь отстающим от на угол θ. Направление вектора определяется условием . Чтобы определить направление вектора продолжим (полученное вычитанием из вектора вектора ) и на эту прямую опустим перпендикуляр из начала координат и отложим на нем . Теперь отстает от более чем на 90 градусов. Положительную мощность ток создает не с , а с напряжением сети . Векторы потоков и строим каждый под углом 90 градусов к вектору индуктируемой ими ЭДС (т е. к и ).
Режим двигателя устойчив при изменении θ в пределах от 0 до -90 и неустойчив при θ<-90 градусов, когда возрастание θ не увеличивает, а уменьшает вращающий момент. Если механический тормозящий момент, приложенный к валу двигателя, превзойдет максимальное значение вращающего электромагнитного момента Мэ.м.max, то произойдет выпадение двигателя из синхронизма - ротор постепенно уменьшит скорость и, наконец, остановится, ЭДС в обмотке уменьшится до 0, а токи достигнут весьма больших значений, во много раз превышающих номинальные. Автоматическая защита отключит двигатель от питания сети.
Работающая параллельно с сетью синхронная машина нагружается как в режиме двигателя, так и в режиме генератора, путем изменения момента, приложенного к валу. Практически используется только кратковременный переход двигателя в режим генератора для быстрого торможения двигателя.
Величина
|

|
(3.1.12) |
называется синхронизирующей мощностью, а величина
|

|
(3.1.13) |
- синхронизирующим моментом.
Практически синхронная машина работает сравнительно далеко от предела статической устойчивости, соответствующего θ=90 градусов. У синхронных генераторов угол θ при номинальной нагрузке не превышает 20 градусов, а у двигателей, как менее ответственной машины, этот угол достигает 30 градусов.
Форма угловой характеристики синхронной машины объясняется картиной взаимодействия потоков Фв и Ф в синхронной машине (рис. 3.8).

Рис. 3.8. Картина взаимодействия потоков и в синхронной машине: (а) - при
, (б) - при , (в) - при 
При θ=0 (рис.3.8а) между ротором и статором существует только сила притяжения (между двумя магнитами). Тангенциальная составляющая силы равна 0, Поэтому электромагнитный момент равен 0 . При θ>0 (рис.3.8б) ось потока возбуждения опережает ось результирующего потока на угол θ, вследствие чего тангенциальная составляющая силы создает тормозной момент для внешнего двигателя, приводящего во вращение ротор синхронного генератора. Максимум тормозного момента соответствует θ=90 градусов, когда ось полюсов ротора расположена между осями полюсов статора. При θ<0 (рис.3.8в) (режим двигателя) ось потока возбуждения отстает от оси результирующего потока. Поэтому, возникающие при этом тангенциальные силы создают вращающий момент, который приводит во вращение ротор синхронной машины.
Подключение синхронной машины к сети. При подключении синхронного генератора применяют два способа: точная синхронизация и самосинхронизация.
Первый способ требует предварительную синхронизацию включаемого генератора, которая осуществляется следующим образом (рис. 3.9).

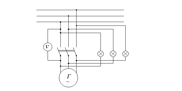
Рис. 3.9. Схема подключения синхронного генератора к сети с помощью лампового синхроноскопа
Скорость машины Г доводится примерно до синхронного числа оборотов и ее возбуждение регулируется так, чтобы вольтметр на ее зажимах показал значение, равное напряжению сети. При этом последовательность фаз машины должна соответствовать последовательности фаз сети. Перед подключением машины к сети необходимо более точное регулирование частоты вращения машины и фазы ее ЭДС. Для этой цели используют синхроскопы. В простейшем случае синхроскоп составляется из ламп накаливания. Чем меньше частота генератора отличается от частоты сети, тем медленнее будут происходить колебания света фазных ламп. Достигают совпадения частот, при котором промежутки времени между следующими друг за другом вспышками ламп будут не менее 3...5 сек. Затем в момент полного затухания ламп замыкается рубильник.
Сущность метода самосинхронизации состоит в том, что генератор включается на сеть без возбуждения, когда его скорость отличается от синхронной на 2...3%. Обмотка ротора во время такого включения должна быть замкнута накоротко или на некоторое сопротивление. Сейчас же после включения генератора на сеть в ротор подается постоянный ток возбуждения, и генератор сам доходит до синхронной скорости под действием электромагнитных сил.
Вращающий момент синхронного двигателя при пуске равен 0, поэтому пуск двигателя состоит из двух этапов: первый этап - синхронный пуск с помощью короткозамкнутой обмотки, расположенной на роторе, и второй этап - втягивание в синхронизм после включения постоянного тока возбуждения. Во время первого этапа асинхронного пуска обмотка возбуждения отключается от источника постоянного тока и замыкается на активное сопротивление, превышающее активное сопротивление обмотки возбуждения в 10...15 раз. Не следует оставлять обмотку возбуждения разомкнутой, т. к. вращающееся поле может индуктировать в ней весьма значительную ЭДС, опасную для изоляции. Но с другой стороны, нецелесообразно было бы замыкать эту обмотку накоротко, т. к. в ней возникает значительный однофазный ток, который будет тормозить ротор по достижении им половины синхронной скорости.
назад | оглавление | вперед
|