|
назад | оглавление | вперед
1.5.7. Особенности работы трехфазных трансформаторов
Все соотношения, которые мы получили для однофазных трансформаторов, справедливы и для трехфазных трансформаторов, точнее для одной фазы трансформатора, нагруженного симметрично.
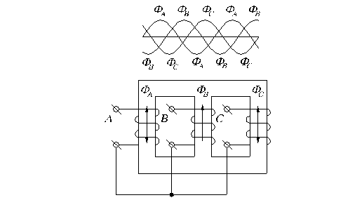
Возьмем три однофазных трансформатора и подключим их к трехфазной цепи (рис.1.26).

Рис.1.26. Трехфазный трансформатор, состоящий из трех однофазных
В результате на выводах a,b и c получим три фазных напряжения (по отношению к выводу 0) и Величина этих напряжений определяется отношением - коэффициентом трансформации трансформатора. Вместо трех однофазных трансформаторов можно взять один трехфазный (рис.1.27а).
а)
б)
Рис.1.27. Устройство трехфазного трансформатора (а) и его схема замещения магнитной цепи (б)
На каждый из стержней магнитопровода наматывается одна первичная обмотка и одна или несколько вторичных обмоток трансформатора. Магнитное сопротивление отличается от магнитных сопротивлений и (рис. 1.27б), что приводит к некоторой асимметрии намагничивающих токов. Однако эту асимметрию в основных соотношениях каждой из фаз для симметричного режима работы трансформатора можно не учитывать. Трансформаторная группа из трех трансформаторов дороже, чем трехфазный трансформатор той же мощности, она занимает больше места и ее КПД ниже. Но в случае аварии в группе трансформаторов, как правило, выходит из строя лишь один из трех трансформаторов. Таким образом, группа из трех трансформаторов обеспечивает большую эксплуатационную надежность. Большинство трансформаторов малой и средней мощности выполняются трехфазными. Начиная с мощности 3 x 600 = 1800 кВА, допускается применение трех трансформаторов, вместо одного.
Обмотки трансформатора соединяются звездой (Y) или треугольником ( ). Соединение обмоток звездой целесообразнее при больших питающих напряжениях и малых токах. При больших токах применяют соединение треугольником. При больших напряжениях питающей сети и больших токах нагрузки наиболее целесообразный способ соединения обмоток трансформатора - (Y/ ) (рис.1.28). Отношение всегда равно трансформатора, а отношение линейных напряжений зависит от способа соединений обмоток трансформатора. Изменяя способ соединения обмоток трансформатора, можно регулировать выходное напряжение.
Согласно закону Ленца ток должен иметь противоположное току направление. При этом ток и напряжение на нагрузке могут совпадать по фазе с первичным током и напряжением или быть с ними в противофазе (рис.1.29).

Рис.1.28. Соединение трехфазного трансформатора по схеме: Y/

Рис.1.29. К определению направления тока во вторичной обмотке трансформатора
Все многообразие способов соединений согласно ГОСТ делится на 12 групп. При определении номера группы (рис.1.30) минутная стрелка часов устанавливается на цифре 12 и с ней совмещается вектор линейного высшего напряжения, а часовая стрелка
совмещается с вектором линейного низшего напряжения. Отсчет угла производится от минутной стрелки к часовой по направлению их вращения.

Рис.1.30. К определению номера группы трансформатора
назад | оглавление | вперед
|